注:项目进度管理=项目时间管理
规划进度管理
项目进度管理包括为管理项目按时完成所需的 7 个过程,具体为:
(1)规划进度管理:为规划、编制、管理、执行和控制项目进度而制定政策、程序和文档过程。
(2)定义活动:识别和记录为完成项目可交付成果而需采取的具体行动的过程。
(3)排列活动顺序:识别和记录项目活动之间的关系的过程。
(4)估算活动资源:估算执行各项活动所需材料、人员、设备或用品的种类和数量的过程。
(5)估算活动持续时间:根据资源估算的结果,估算完成单项活动所需工期的过程。
(6)制订进度计划:分析活动顺序、持续时间、资源需求和进度制约因素,创建项目进度模型的过程。
(7)控制进度:监督项目活动状态、更新项目进展、管理进度基准变更,以实现计划的过程。
项目进度管理的作用
总的来说,项目管理计划主要都是基于【项目进度管理计划】编制的。
在项目的进度管理计划的基础上编制 项目成本管理计划、设备设施采购计划、人力资源配置计划、风险管理计划和配置管理计划等。
只有制订比较详尽的可操作的项目进度管理计划才可以统筹安排整个项目的管理工作,使得项目各方面的工作有条不紊地开展。
规划项目进度管理是为实施项目进度管理制定政策,程序,并形成文档化的项目进度管理计划的过程。本过程的主作用是,为如何在整个项目过程中管理,执行和控制项目进度提供指南和方向。
1、规划进度管理:输入
项目管理计划:范围基准(项目范围说明书、 WBS、WBS 词典)、项目章程、事业环境因素、组织过程资产
2、规划进度管理:输出
项目进度管理计划
规划项目进度管理的输出:
项目进度管理计划,其计划规定:
(1)项目进度模型制定
(2)准确度:时间估算的可接受区间、允许的应急储备数量
(3)计量单位:每种资源的计量单位
(4)组织程序链接:工作分解结构的一致性
(5)项目进度模型维护:更新状态、记录进展
(6)控制临界值:允许出现的最大偏差
(7)绩效测量规则
(8)报告格式
(9)过程描述
规划进度管理
1、为了更好地规划项目,工作包通常还应进一步细分为更小的组成部分,即 “活动”。
2、活动,就是为完成工作包所需进行的工作,是实施项目时安排工作的最基本的工作单元。活动与工作包是 1 对 1 或多对 1 的关系,即有可能多个活动完成一个工作包。
3、定义活动过程,就是识别和记录为完成项目可交付成果而采取的所有活动。
4、定义活动的过程
(1)定义活动的输入:进度管理计划、范围基准、组织过程资产、事业环境因素
(2)定义活动的工具与技术:
①分解
②滚动式规划:近期要完成的工作在工作分解结构最下层详细规划,而计划在远期完成的工作,在工作分解结构较高层粗略规划。
③专家判断
(3)定义活动的输出:
① 活动清单:还包括每个活动的标识及工作范围详述, 使项目团队成员知道需要完成什么工作( 工作内容、目标、结果、负责人和日期)。每个活动都应该有一个独特的名称。
②活动属性:是活动清单中的活动描述的扩展。
③里程碑清单:是项目中的重要时点或事件( 某时刻: 里程碑持续时间为零、不消耗资源也不消耗成本) 。里程碑清单列岀了所有项目里程碑。里程碑清单为后期的项目控制提
供了基础。
排列活动顺序
1、排列活动顺序是识别和记录项目活动之间的关系的过程。
2、本过程的作用是,定义工作之间的逻辑顺序(FS型:有依赖关系;另一种是并行),以便在既定的所有项目制约因素下获得最高的效率。
3、排列活动顺序的过程:
(1)排列活动顺序的输入(前一个活动产生的结果)
进度管理计划、活动清单、活动属性、里程碑清单、项目范围说明书、事业环境因素
(2)排列活动顺序的输出
项目进度网络图、项目文件更新
排列活动顺序的工具与技术:
1、确定依赖关系
① 强制性依赖关系。强制性依赖关系是法律或合同要求的或工作的内在性质决定的依赖关系
② 选择性依赖关系(与强制性相反)。选择性依赖关系有时又称首选逻辑关系、优先逻辑关系或软逻辑关系。
③ 外部依赖关系。外部依赖关系是项目活动与非项目活动之间的依赖关系。这些依赖关系往往不在项目团队的控制范围内。
④ 内部依赖关系。内部依赖关系是项目活动之间的紧前关系,通常在项目团队的控制之中。
上述4种是2种不同的维度,可以两两对应
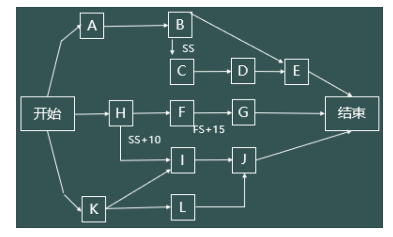
2、前导图法
( 1)前导图法也称紧前关系绘图法,是用于编制项目进度网络图的一种方法,它使用方框或者长方形,(被称作节点)代表活动,节点之间用箭头连接,以显示节点之间的逻辑关系。这种网络图也被称作单代号网络图。
(2)前导图法包括活动之间存在的 4 种类型的依赖关系
①结束-开始的关系(F-S 型),例子:只有比赛(紧前活动)结束,颁奖典礼(紧后活动)才能开始。
②结束-结束的关系( F-F 型),例子:只有完成文件的编写(紧前活动),才能完成文件的编辑(紧后活动)。
③开始-开始的关系(S-S 型),例子:开始地基浇灌(紧前活动)之后,才能开始混凝土的找平(紧后活动)。
④开始-结束的关系( S-F 型),例子:只有第二位保安人员开始值班(紧前活动),第一位保安人员才能结束值班(紧后活动)。
(3)前导图的 4 种关系图
( 4)在前导图法中,每项活动都有唯一的活动号,每项活动都注明了预计工期(活动的持续时间)。通常,每个节点的活动都会有如下几个时间:最早开始时间( ES);最迟开始时间(LS);最早完成时间( EF)和最迟完成时间( LF)。
绘制如下:
3、箭线图法
箭线图法是用箭线表示活动、节点表示事件的一种网络图绘制方法。也被称作双代号网络图。
图示(双代号网络图 )↓
在箭线图法中,有三个基本原则:
1)网络图中每一项活动和每一事件都必须有唯一的一个代号,即网络图中不会有相同的代号。
2)任两项活动的紧前事件和紧后事件代号至少有一个不相同,节点代号沿箭线方向越来越大。
3)流入(流出)同一节点的活动,均有共同的紧后活动(或紧前活动) 重要
4、提前量与滞后量:在活动之间加入时间提前量与滞后量,可以更准确地表达活动之间的逻辑关系。
估算活动资源
1、估算活动资源是估算是估算执行各项活动所需的材料,人员,设备或用品的种类和数量的过程。
2、本过程的作用是,明确完成活动所需的资源种类,数量和特性,以便做出更准确的成本和持续时间的估算。
3、估算活动资源的过程:
(1)估算活动资源的输入
进度管理计划、活动清单、活动属性、资源日历、风险登记册、活动成本估算、事业环境因素、组织过程资产
(2)估算活动资源的工具与技术
专家判断、备选方案分析、发布的估算数据、项目管理软件、自下而上估算
(3)估算活动资源的输出活动资源需求:
①活动资源需求明确了工作包中每个活动所需的资源类型和数量。
②资源分解结构(RBS):资源分解结构是资源依照类别和类型的层级展现。
③项目文件更新:活动清单、活动属性、资源日历。
估算活动持续时间
1、估算活动持续时间是根据资源估算的结果,估算完成单项活动所需工作时段数的过程。
2、本过程的作用是,确定完成每个活动所需花费的时间量,为制定进度计划过程提供主要输入。
3、估算活动持续时间的输入:
进度管理计划、活动清单、活动属性、活动资源需求、资源日历、项目范围说明书、风险登记册、资源分解结构、事业环境因素、组织过程资产
4、估算活动持续时间的输出:
(1)活动持续时间估算:
活动持续时间估算是对完成某项活动所需的工作时段数的定量评估。持续时间估算中不包括任何滞后量。在活动持续时间估算中,可以指出一定的变动区间,例如:
① 2 周±2 天(每周工作 5 天),表明活动至少需要 8 天,最多不超过 12 天;
②超过 3 周的概率为 15%,表明该活动将在 3 周内(含 3 周)完工的概率为 85%。
(2)项目文件更新。
5、估算活动持续时间的工具与技术
需记住各类估算方法的特征
