一、软件适用形式
软件支持创建横剖面及配筋沿地沟纵向不变的普通地沟,支持创建地沟净宽改变,或者地沟竖壁、顶板底板厚度改变的复杂地沟。典型形式如下所示:
普通地沟
复杂地沟
熟料库2-4条地沟的情况
二、软件操作说明
采用【地沟地坑设计】中的【地沟设计】插件。软件位置见下图:
地沟的设计流程如下图所示:
本软件分为普通地沟、复杂地沟及熟料库地沟三大部分:
- 参数输入:输入生成地沟模型所需几何参数
- 普通地沟:横剖面截面及配筋一致,底板角度可任意;

复杂地沟:竖壁形式规则的复杂地沟:净宽及竖壁厚度保持不变,顶板及底板可任意分段,角度及净高可变;
** 竖壁形式不规则的复杂地沟:**两侧竖壁厚度及配筋可变,顶板及底板可任意分段,角度及净高可变;<br /><br />勾选【竖壁形式规则】后的界面

不勾选【竖壁形式规则】后的界面

底板顶板参数界面
熟料库地沟
<br />熟料库地沟的参数输入界面
- 端头形式:软件可供用户选择是否生成地沟底板或顶板的端头。底板端头主要为底板端部加厚的形式,顶板端头为地沟出口防水台及挑檐的形式。用户可进行几何尺寸及钢筋信息的输入。

- 历史记录:用户可在此选项卡中,读取典型项目及个人历史记录的读取和删除,方便用户做局部修改的输入;

- 普通地沟:横剖面截面及配筋一致,底板角度可任意;
复杂地沟
2.1 竖壁形式规则的复杂地沟:净宽及竖壁厚度保持不变,顶板及底板可任意分段,角度及净高可变;<br /> 2.2 竖壁形式不规则的复杂地沟:两侧竖壁厚度及配筋可变,顶板及底板可任意分段,角度及净高可变;
熟料库地沟
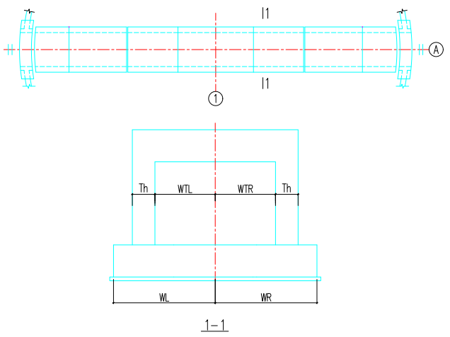
3.1 示意图中平行于A轴方向轴线均为下料口中心轴线,不为地沟中心轴线(地沟中心有可能存在偏离轴线的情况);<br /> 3.2 熟料库地沟剖切方向为从左向右:<br /><br /> 3.3 熟料库地沟配筋分段参数中每段起点到1轴距离示意如下:<br />
三、软件主要功能
- 可涵盖常见形式地沟的建模及钢筋生成,包括普通输送地沟、窑头车间的出料地沟、熟料库地沟;
- 软件集成了历史记录功能,可以读取典型项目的参数作为参考,也可以读取个人建模的历史记录;
普通地沟及复杂地沟:
3.1 可选择地沟底板及顶板端头形式并生成混凝土模型及钢筋。软件支持四种底板的端头形式,以及两种顶板的端头形式;<br /> 3.2 地沟顶底板及壁厚变厚度处的放坡比例默认为1:2,设计者也可以输入其他放坡比例;
熟料库地沟:
4.1 适用于圆形熟料库内有2~4条库内地沟的情况; <br />4.2 地沟横截面支持三种形式,包括底板等厚、底板悬挑和底板中间为薄板的情况,见下图箭头所示;<br /><br />4.3 对于地沟配筋沿纵向变化的情况,可以在【配筋参数】页面中指定地沟配筋分段数(注意概念上不要与地沟分缝混淆),然后给每个分段分别指定配筋信息;分段规则见3.3示意图;<br /> 4.4 不适用于地沟竖壁厚度改变情况;<br /> 4.5 适用于熟料库地沟端头外切圆半径统一的情况,不适用不同熟料库地沟端头外切圆半径不一致的情况;<br /> 4.6 适用熟料库地沟与熟料库壁脱开的情况,不适用熟料库壁与地沟连接的情况;
四、软件主要出图功能
熟料库地沟:
(1)平面图:可完成基础平面布置图、顶面布置图以及顶板及底板竖壁配筋图;
(2)剖面图:可完成地沟一、地沟二典型位置剖面图;
(3)详图:下料口顶面钢筋处理示意图。

- 普通地沟及复杂地沟

(1)平面图:可完成基础平面布置图;
(2)剖面图:可完成地沟纵剖面及横剖面视图。
五、软件待完善功能
- 普通地沟和复杂地沟:暂不支持端部封墙,净宽改变,顶板出现90°弯折情况;
- 暂未支持普通地沟和复杂地沟开洞口的形式处理;
- 未包含集水坑等附属构件。
