数字逻辑电路
门电路
TTL与非门

- 工作状态:
| 输入 |
|
|
|
|
| | —- | —- | —- | —- | —- | —- | | 至少一个低电平 | 深度饱和 | 截止 | 微饱和 | 导通 | 截止 | | 全高电平 | 倒置 | 饱和 | 导通 | 截止 | 深度饱和 |
一般以 的工作状态表示与非门的状态
- TTL门电路工作速度比MOS快,但是输出为低电平时
处于深度饱和状态,状态改变时存储电荷消散速度慢,从而影响工作速度
- 用带有肖特基势垒二极管的三极管代替
、
、
、
,限制饱和深度,提高工作速度
相关概念
- 输出高电平
:与非门空载时输出的高电平
- 输出低电平
:与非门空载时输出的低电平
- 关门电平
:保持与非门处于截止状态(
)的输入低电平的最大值
- 开门电平
:保持与非门处于开门状态(
)的输入高电平的最小值
- 噪声容限
:
- 低电平噪声容限:
保证输出高电平条件下,输入低电平上允许的最大干扰电压:%7D#card=math&code=V%7BNL%7D%20%3D%20V%7BOFF%7D%20-%20V_%7BOL%28max%29%7D&id=XC6sq)
- 高电平噪声容限:
保证输出低电平条件下,输入高电平上允许的最大干扰电压:%7D%20-%20V%7BON%7D#card=math&code=V%7BNH%7D%20%3D%20V%7BOH%28min%29%7D%20-%20V%7BON%7D&id=piFc8)
- 低电平噪声容限:
- 传输延迟时间
:

输入特性
- 关门电阻与开门电阻:
上升到
时的电阻为
,一般为
上升到
时的电阻为
,一般为
- 与非门接输入电阻小于
则输入低电平;大于
则输入高电平
- 输入端悬空则输入高电平
- 低电平输入电流
:
当时,电流为输入短路电流
,
常用
代替。
注意:
大小和输入端并接个数无关
流出
管,为负值
- 高电平输入电流
:
也称为输入灌电流
注意:- 流进
管的电流等于
大小和与非门输入端并接个数的乘积
流入
管,为正值
- 流进
输出特性
| 输出电平 | 输出电流 | 方向 | 正负 |
|---|---|---|---|
| 低电平 | 灌电流 | 流入与非门 | 正 |
| 高电平 | 拉电流 | 流出与非门 | 负 |
扇出系数 
- 高电平扇出系数
- 低电平扇出系数
OC门
集电极开路的门电路

OC门相对于TTL门的优势:
- TTL门并联后如果两个门输出电平不同,则会产生过大的电流,可能损坏门电路
- TTL门有规定的电源电压(一般为+5V),输出高电平为固定值
- 推拉式输出结构的电路负载能力小
计算并联OC门和负载之间的上拉电阻 :
- 无论高低电平,OC门的输出电流方向均流进OC门
- 输出低电平时,按照一个OC门导通计算,只用考虑一个
- 对于负载输入电流要分情况讨论,详见《数字逻辑电路》P62.例2.3.2
三态门
- 使能端有效:与非门/非门/与门等,状态为高电平/低电平
- 使能端失效:状态为高阻态
CMOS
MOS管
- 衬底与源极或者系统最低电位:防止衬底与源极PN结导通
CMOS
- 非门:

- 与非门:只要A、B有低电平,
、
串联电阻
,
、
并联电阻
,则Y=1

- 或非门:只要A、B有高电平,
、
并联电阻
,
、
串联电阻
,则Y=0

- 在每个输入端和输出端各增加一个反相器(缓冲器),带有缓冲器的门电路其输出电阻、输出电平及电压传输特性不受输入端状态影响
- TG门:

OD门
- 漏极开路,用于输出缓冲/驱动器或者电平转换
注意事项
- 输入端禁止悬空,不用时应接地或通过几十千欧到几百千欧电阻接入
- CMOS管未接电源时禁止加输入信号,防止输入端保护二极管损坏
TTL与CMOS之间的连接
TTL驱动4000系列和74HC系列CMOS
核心在于提高TTL输出高电平
- 加上拉电阻,增大TTL输出高电平
- 加OC门,防止
过高,超过TTL输出端最大承受电压
- 加电平偏移电路
4000系列CMOS驱动74系列TTL
核心在于TTL的低电平输入电流过大,需要提高CMOS门电路输出低电平时的负载能力
- 加CMOS驱动器
- 加电流放大器
各类门电路对比
| 名称 | 优点 | 缺点 | 能否并联 |
|---|---|---|---|
| TTL | - | 电源电压固定 输出高电平固定 负载能力较小 |
否 |
| OC门 | 输出高电平可调 负载能力比TTL大 |
- | 能 |
| ECL | 平均传输延迟时间可小于2ns,工作速度高 带负载能力强 |
功耗大 逻辑摆幅小 电平与其他TTL电路不兼容 噪声容限小 |
否 |
| I2L | 结构简单,集成度高 能在低电压、微电流下工作 功耗是目前双极型数字集成电路中功耗最低的 |
噪声容限小,抗干扰能力差 输出电压幅度小,0.6V左右 开关速度慢 |
能 |
| CMOS | 输入阻抗高 功耗低 电源电压范围宽 扇出系数大 抗干扰、辐射能力强 成本低 |
速度慢 | 否 |
- 就目前所学来说,仅OC门、OD门、三态门、
门电路可以直接并联使用
解题总结
- TTL的输入端如果接地,串联输入电阻小于
则输入低电平;大于
则输入高电平
- TTL的输入端如果接低电平,等效于1
- CMOS输入电阻很大,所以输入电流小,输入电阻不会造成影响,故接入什么电平就是什么电平
- 对于TTL或非门,输入端并联,无论输入是高电平还是低电平,输入电流均与输入端成正比;而TTL与非门只有当输入高电平时才与输入端成正比
组合逻辑电路
常见集成芯片
- 3-8译码器74LS138:译码状态下对应端输出0,禁止译码状态下输出全为1
以为例的逻辑式
。当
时
,使能端有效。

利用译码器进行电路设计时,构造这样的与非式,然后用对应端口
替代
- 二—十进制译码器74LS42:将4位BCD码译成10个输出信号,对应端输出0,超出1001的码输出全为1
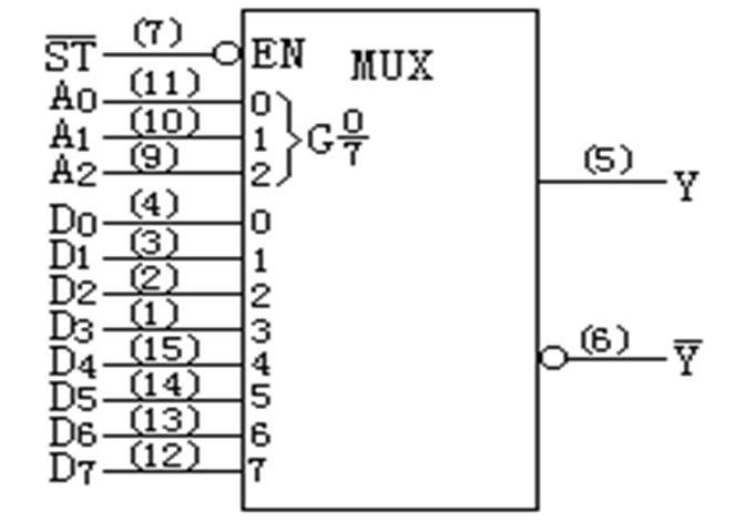
- 8-3优先编码器74LS148:
- 多输入时优先编译高位(编译0信号,输出反码),如
则
低电平有效使能端
输出低电平表示“正常工作,但无编码输入”
输出低电平表示“正常工作,有编码输入”

- 多输入时优先编译高位(编译0信号,输出反码),如
- 10-4BCD优先编码器74LS147:十个输入信号编译成BCD信号(编译0信号,输出反码)
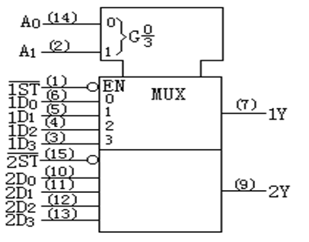
- 双4选1数据选择器74LS153:
控制选择输出值
D_0%2B(%5Coverline%20%7BA_1%7DA_0)D_1%2B(A_1%5Coverline%20%7BA_0%7D)D_2%2B(A_1A_0)D_3#card=math&code=Y%3D%28%5Coverline%20%7BA_1%7D%5C%20%5Coverline%20%7BA_0%7D%29D_0%2B%28%5Coverline%20%7BA_1%7DA_0%29D_1%2B%28A_1%5Coverline%20%7BA_0%7D%29D_2%2B%28A_1A_0%29D_3&id=mAA4c)
- 使能端高电平失效,输出为0

- 8选1数据选择器74LS151:
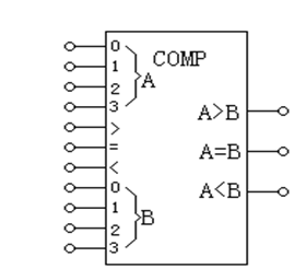
- 数据比较器CC14585:当<、>、=输入端为1时允许对应信号输出,否则对应信号输出0
数据选择器设计电路
- 输入变量小于等于MUX地址输入端数,连接低位地址,高位地址不用(按需接1或0)
- 输入变量大于MUX地址输入端数:多余的变量需要接入数据输入端
- 选定地址信号
- 列出逻辑式
- 地址对应的系数即为对应的数据接入信号
竞争-冒险现象
- 组合逻辑电路中,输入信号变化先后不同或者信号传输路径不同,不同信号之间存在竞争;由于竞争造成输出信号波形产生不应有的尖峰脉冲,称为竞争—冒险现象。
- 写出逻辑表达式,如果能简化成
或者
则存在该现象。例如:
%0A#card=math&code=%20%20Y%20%3D%20AB%20%2B%20%5Coverline%7BA%7DC%20%5C%5C%0A%20%20Y%20%3D%20A%20%2B%20%5Coverline%7BA%7D%28B%3D1%2CC%3D1%29%0A&id=PFqKR)
- 卡诺图两圆相切,则存在
- 消除竞争冒险现象
- 加滤波电容
- 加冗余项。将卡诺图相切圆的相邻项圈出,此项即为冗余项
触发器
同步触发器
| 种类 | 特性方程 | 备注 |
|---|---|---|
| RS | 不能全为1 | |
| D | - | |
| JK | 全1翻转,全0保持 | |
| T | 只能翻转和保持 | |
| T’ | 只能翻转 |
时状态会随输入信号多次变化而随之多次反转,发生空翻现象
主从触发器
主从型RS触发器
- R/S信号如果在下降沿是1/0或者0/1则只用关注下降沿信号,否则需观察全过程(可能出现前半段信号为1/0,后半段为0/0,则输入信号相当于1/0)
主从型D触发器
- 只用关注下降沿信号
主从型JK触发器

- 如果
则输入端的K被封锁,只接受置1信号或者保持信号,则如果
期间输入信号
使主触发器翻转,再次变化
只会输入保持信号,无法再次翻转。
时同理。
期间,JK的变化可能引起主触发器的状态改变,但只能改变一次
边沿触发器
只用关注上升沿和下降沿,CP输入端如果无圆圈则表示上升沿触发,有圆圈表示下降沿触发
时序逻辑电路
概念要点
- 米勒型时序电路:某时刻的输出取决于该时刻的外部输入
和内部状态
- 摩尔型时序电路:某时刻的输出仅取决于该时刻的内部状态
- 驱动方程/激励方程:
#card=math&code=W%3DG%28X%2CQ%29&id=PLYK6),
为输入信号,
为存储电路状态输出
- 状态方程:
#card=math&code=Q%5E%7Bn%2B1%7D%3DH%28W%2CQ%29&id=BGlgk),
为存储电路的激励信号。以JK触发器为例就是决定J、K信号的逻辑方程
- 输出方程:
#card=math&code=Z%3DF%28X%2CQ%29&id=kre6V),
为输出信号
同步时序逻辑电路分析
- 写出触发器激励方程、电路输出方程
- 写出状态方程
- 写出电路状态表、状态转换图
| 输入 | 现态 | 次态 | 输出 |
| —- | —- | —- | —- |
|
|
|
|
|
- 作出时序波形图
异步时序逻辑电路分析
- 大致步骤与同步时序电路相同
- 状态方程需乘上
,表示当时钟下降沿/上升沿到来时
- 状态表形式如下:
| 现态 | 时钟有效信号 | 输出 |
| —- | —- | —- |
|
|
#card=math&code=CP_i%28%E6%8B%AC%E5%8F%B7%E5%86%85%E5%A1%AB%E5%86%B3%E5%AE%9ACP_i%E7%9A%84%E5%BC%8F%E5%AD%90%29&id=GGGzx) |
|
同步时序逻辑电路设计
- 确定输入输出量、状态量
- 定义变量表达式并列出原始状态转换表
- 按照状态是否等价进行化简:
- 相同输入下输出和次态均相同
- 相同输入下次态相同、次态交错、次态互为隐含条件

- 状态分配,符合三条原则的尽量分配相邻二进制代码,多余代码为约束项:
- 具有相同次态的现态(主)
- 同一现态下的次态
- 具有相同输出的现态
- 根据每个状态的真值表(观察状态转换表)写出状态方程
- 由所选触发器的状态方程写出激励方程和输出方程
异步时序逻辑电路设计(详见课件 计数器.pdf,3-12页,例1)
- 画出状态转换图
- 画出电路时序图
- 确定触发器的时钟信号:
触发器需要翻转时,必须有触发脉冲;触发器无需翻转时,选取脉冲数尽量少的脉冲信号 - 根据脉冲信号画出各个位的次态卡诺图


- 得出电路状态方程,再根据触发器特性方程得出驱动方程
- 自启动检测
计数器
- 模:计数器能记忆的最大脉冲个数
- 计数器的容量:能表示的最大数值
- 计数器可用作分频器,但是需要固定的时钟脉冲信号
- 同步计数器:
- 优点:不存在竞争-冒险现象;工作速度快;工作效率高
- 缺点:电路结构复杂
- 异步计数器:
- 优点:结构简单
- 缺点:进位信号逐级传递,速度受限,频率不能太高;存在竞争-冒险现象
计数器改装方法
- 单个计数器改装成模
计数器:
- 置数归0法:将
的与非信号和
相连
- 预置补数法:从计数器容量倒推,将
的非信号和
相连
- 异步清零法:将
的与非信号和
相连
- 置数归0法:将
- 多个计数器改装:
- 大模分解法:分解因式再异步级联连接。
,低位计数器预置
%7B10%7D-(5)%7B10%7D%3D(1010)2#card=math&code=%2815%29%7B10%7D-%285%29_%7B10%7D%3D%281010%29_2&id=JFnOD),高位同理。
.JPG#id=BYq7O&originHeight=401&originWidth=1120&originalType=binary&ratio=1&status=done&style=none)
- 整体清零法:
- 异步级联连接再按单个计数器改装方法改装。注:在74LS90改装成模54计数时,如果按异步清零法,两片信号应分别为5和4,而不是54的二进制形式。
%7B10%7D%3D(0101)_2%2C(4)%7B10%7D%3D(0100)2#card=math&code=%285%29%7B10%7D%3D%280101%292%2C%284%29%7B10%7D%3D%280100%29_2&id=LWxbz)
.JPG#id=uCMJK&originHeight=598&originWidth=1120&originalType=binary&ratio=1&status=done&style=none)
- 同步级联连接再按单个计数器改装方法改装。注:此时清零的信号就是对应的二进制形式。此时信号就是
%7B10%7D%3D(0011%5C%201011)_2#card=math&code=%2859%29%7B10%7D%3D%280011%5C%201011%29_2&id=Dgqcx)
.JPG#id=mImbC&originHeight=458&originWidth=1120&originalType=binary&ratio=1&status=done&style=none)
- 异步级联连接再按单个计数器改装方法改装。注:在74LS90改装成模54计数时,如果按异步清零法,两片信号应分别为5和4,而不是54的二进制形式。
- 大模分解法:分解因式再异步级联连接。
整体置数法:同步级联然后对整体预置补数。例如此处需设计模60计数器,同步级联后为模256计数器,则预留信号为
%7B10%7D-(59)%7B10%7D%3D(1100%5C%200100)2#card=math&code=%28255%29%7B10%7D-%2859%29_%7B10%7D%3D%281100%5C%200100%29_2&id=nBYjL)
.JPG#id=VeaON&originHeight=409&originWidth=1120&originalType=binary&ratio=1&status=done&style=none)
同步级联仅适用于74LS161这样具有保持功能的计数器。
同步置数或者同步置零都是有位。异步清零是
位,因为第
位时异步清零了。
常见计数器
- 模16加法计数器74LS161:
异步清零
同步置数
任意一个为0均保持;
则进位
;
不影响进位
二-五-十进制异步计数器74LS90:
数码寄存器/静态寄存器:输入、输出都为并行方式
- 移位寄存器:串入-并出、并入-串出、串入-串出
- 环形计数器:移位寄存器首尾相连
- 扭环计数器:移位寄存器
| 计数器 | 计数长度有效状态个数 | 状态浪费个数 | 竞争冒险可能性 | | —- | —- | —- | —- | | 环形 |
|
| 有可能 | | 扭环 |
|
| 不可能 |
两者电路结构都很简单,无法自启动,状态利用率低
常见寄存器
- 74LS194寄存器:

序列发生器
- 用计数器和数据选择器组合,选择端和计数器相连,数据端依次接入序列信号
- 用移位寄存器和逻辑电路组合,写出状态表,并列出逻辑式
半导体存储器和可编程逻辑器件
- 与阵列固定,或阵列可编程:ROM、PROM
- 与阵列可编程,或阵列固定:PAL、GAL
- 与、或阵列均可编程:PLA
- 关于RAM的具体字、位和寻址方式可见计算机组成原理/RISC_5.md
- RAM容量扩展:
- 位扩展:

- 字扩展:

- 位扩展:
脉冲波形的产生和整形
环形振荡器
- 简单环形振荡器周期:
- 带RC延迟环节的环形振荡器:
%5D#card=math&code=T%3DRC%5B%5Cln%20%281%2B%5Cfrac%7BU%7BOH%7D-U%7BOL%7D%7D%7BU%7BOH%7D-U%7BTH%7D%7D%2B%5Cln%20%281%2B%5Cfrac%7BU%7BOL%7D-U%7BOH%7D%7D%7BU%7BOL%7D-U%7BTH%7D%7D%29%5D&id=v74M4)
石英晶体振荡器
- 石英晶体多谐振荡器频率取决于石英晶体固有频率,与外接电阻、电容无关
- 石英晶体低频、高频呈电容性,中频呈电感性
施密特触发器
- 回差电压:
否则会产生自锁
单稳态触发器
| 类型 | 输出脉冲宽度 | 特点 |
|---|---|---|
| 微分型 | 窄脉冲触发 有正反馈 |
|
| 积分型 | 抗干扰能力强 输出波形差(无正反馈作用) 触发脉冲宽度必须大于输出脉冲宽度 |
- 暂稳态维持时间取决于电路本身参数
- 非重复触发:进入暂稳态后加入触发脉冲不生效
- 可重复触发:进入暂稳态后加入触发脉冲,输出脉冲继续维持一个宽度
- 触发器一般用于整形,定时,延时
- 74LS121单稳态触发器:
时
上升沿触发,
时
下降沿触发,平时输出为0,脉冲宽度
多谐振荡器
- 无稳态
- 施密特构成的多谐振荡器:
#card=math&code=T%3DRC%5Cln%28%5Cfrac%7BV%7BDD%7D-V%7BT-%7D%7D%7BV%7BDD%7D-V%7BT%2B%7D%7D%5Ccdot%20%5Cfrac%7BV%7BT%2B%7D%7D%7BV%7BT-%7D%7D%29&id=mmChq)
- 施密特构成的多谐振荡器调节RC可以改变周期,不能改变占空比
- 分类:
- 对称式
- 非对称式
- 环形振荡器
A/D,D/A转换
D/A转换
- FSR:满刻度
- LSB:最低有效位,对应的模拟输出为
,
为数字量位数
- 量化误差:ADC的转换误差,为
- 分辨率:
,也可以用LSB或者n表示
- 权电阻网络:
%0A#card=math&code=vo%3D-%5Cfrac%7BV%7BREF%7D%7D%7B2%5En%7D%28%5Csum_%7Bi%3D0%7D%5E%7Bn-1%7Dd_i%202%5Ei%29%0A&id=emmnY)
- 倒T型电阻网络:
%0A#card=math&code=vo%3D-%5Cfrac%7BV%7BREF%7D%7D%7B2%5En%7D%28%5Csum_%7Bi%3D0%7D%5E%7Bn-1%7Dd_i%202%5Ei%29%0A&id=S5X4I)
- 权电流型:
%0A#card=math&code=vo%3D%5Cfrac%7BR_FI%7D%7B2%5En%7D%28%5Csum%7Bi%3D0%7D%5E%7Bn-1%7Dd_i2%5Ei%29%0A&id=LCpCq)
- 比例系数误差:由
偏离引起的误差
- 漂移误差:运放零点漂移产生的误差
- 非线性误差:内阻和压降、电阻阻值偏差等原因带来的误差 | 网络 | 优点 | 缺点 | | —- | —- | —- | | 权电阻网络 | 结构简单 | 各电阻阻值相差较大 | | 倒T型电阻网络 | 克服了权电阻网络中电阻相差较大的缺点 | 模拟开关存在导通电阻和压降,存在转换误差 | | 权电流型 | 消除了模拟开关带来的误差,精度提升 | 电路复杂 |
A/D转换
- 量化单位
:取样电压为该值的整数倍,
- 双积分(V-T)变换型:
,
为计数次数,也表示转换结果
- V-F变换型:
- 分辨率:
- 转换误差:只舍不入为LSB,有舍有入为
- 只舍不入:取相应
,在
范围内均为0,依次类推
- 有舍有入:0到第一个数字信号表示
范围,其余间隔
。以3位信号为例,1个
和7个
,将1划分可得
- 判断A/D转换是否能够使用:计算转换时间最长对应的最低频率,如果是输入信号的两倍则可以使用。
| 网络 | 优点 | 缺点 |
| —- | —- | —- |
| 并联比较型 | 速度快
可不加采样-保持电路 | 电路复杂 | | 计数反馈比较型 | 电路简单 | 时间长,最长需要个时钟信号 | | 逐次渐近反馈比较型 | 速度比计数型快得多,仅需
个时钟信号 | - | | 双积分(V-T)变换型 | 工作性能稳定
抗干扰能力强 | 工作速度低,最长需要个时钟周期 | | V-F变换型 | 抗干扰能力强 | 转换速度低 |
