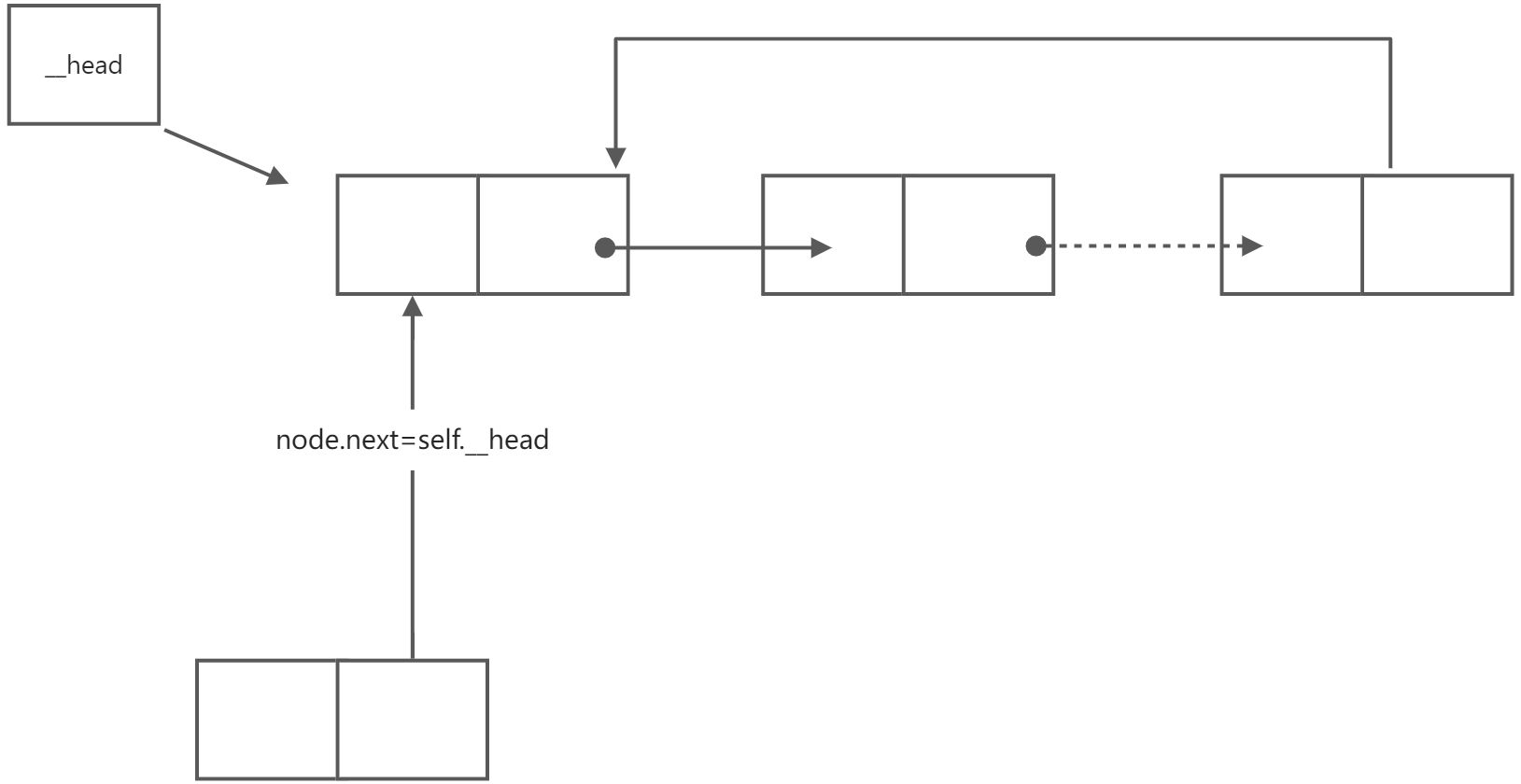
单链表的尾结点不指向None,而是指向头节点,我们称为单向循环链表

单向循环链表的操作
与单链表一样
节点的构造
class Node(object):def __init__(self,elem):self.elem=elemself.next=None
与单链表类似
链表的构造

考虑用户是否传入了节点
- 没有传入节点,也就没有node.next,头节点直接指向空
- 当用户传入了节点,因为是循环链表,所以,节点的next去不能指向None,而是指向node

class singlecyclelinklist(object):def __init__(self,node=Node):self.__head=nodeif node:node.next=node
1.判断链表是否为空
def is_empty(self):return self.__head==None
与单链表类似
2.计算链表长度


与单链表相比,不能用cur来进行遍历(链表为空cur也是指向self.head),所以用count.next进行判断
当cur遍历到尾节点,尾结点的next是指向self.head,就代表遍历结束
cur.next==self.__head

当cur指向第一个节点时count=1,但是cur.next的count=2
所以当cur指向尾结点,如果cur的count=1,那么cur.next的count=2
cur.next == self.__head时,count=n+1
所以count一开始要置为1,遍历完后才是链表的长度
def length(self):cur=self.__headcount=1while cur.next != self.__head:count+=1cur=cur.nextreturn count
特殊情况
当链表是为空,直接返回0
- 方法1:调用is_empty();return 0
- 方法2:如果cur==None;return 0
def length(self):if self.is_empty():return 0cur=self.__headcount=1while cur.next !=None:count+=1scur=cur.nextreturn count
3.遍历链表
思路与单链表类似,但是当指向最后的一个节点的时候没有打印这个节点的元素,所以当遍历结束后,再打印一个尾结点元素即可
def travel(self):cur=self.__headwhile cur.next !=None:print(cur.elem)cur=cur.next#退出循环,cur指向尾结点,但尾结点的元素未打印print(cur.elem)
特殊情况
当链表为空时,没有cur.next,添加判断函数,什么都不返回
def travel(self):if self.is_empty():returncur=self.__headwhile cur.next != self.__head:print(cur.elem)cur=cur.nextprint(cur.elem)
4.头部添加元素
与单链表类似,
但是要找到尾结点,并把尾结点指向self.__head,
方法一:先连节点,再找尾节点,不易理解






def add(self,item):node=Node(item)cur=self.__headnode.next=self.__headself.__head=nodewhile cur.next != self.__head:cur=cur.next#退出循环,cur指向尾结点cur.next=node
方法二:先找尾节点,再连节点


def add(self,item):node=Node(item)cur=self.__headwhile cur.next != self.__head:cur=cur.next#退出循环,cur指向尾结点node.next=self.__headself.__head=nodecur.next=node#或者:#cur.next=self.__head
特殊情况
链表为空链表,cur指针没有next
def add(self,item):node=Node(item)cur=self.__headif self.is_empty():self.__head=nodenode.next=nodeelse:while cur.next != None:cur=cur.nextnode.next=self.__headself.__head=nodecur.next=node
5.尾部添加元素


def append(self,item):node=Node(item)cur=self.__headwhile cur.next != self.__head:cur=cur.nextnode.next=cur.nextcur.next=node
特殊情况
当链表为空,与头插法类似
if self.is_empty():self.__head=nodenode.next=node
6.指定位置添加元素
与单链表类似
7.查找元素
与单链表类似,当找到最后一个元素指向self.__head,时就退出了,没有把最后一个元素查找出来
就要进行判断,是否最后一个元素是我们要查找的元素,如果是,返回最后一个元素
def search(self,item):cur=self.__headwhile cur.next != self.__head:if cur.elem == item:return Tureelse:cur=cur.next#cur指向尾结点if cur.elem ==item:return Truereturn Flase
特殊情况
当链表为空时:
def search(self ,item):cur=self.__headif self.is_empty():return Falsewhile cur.next != self.__head:if cur.elem==item:return Trueelse:cur=cur.nextif cur.elem == item:return Truereturn False
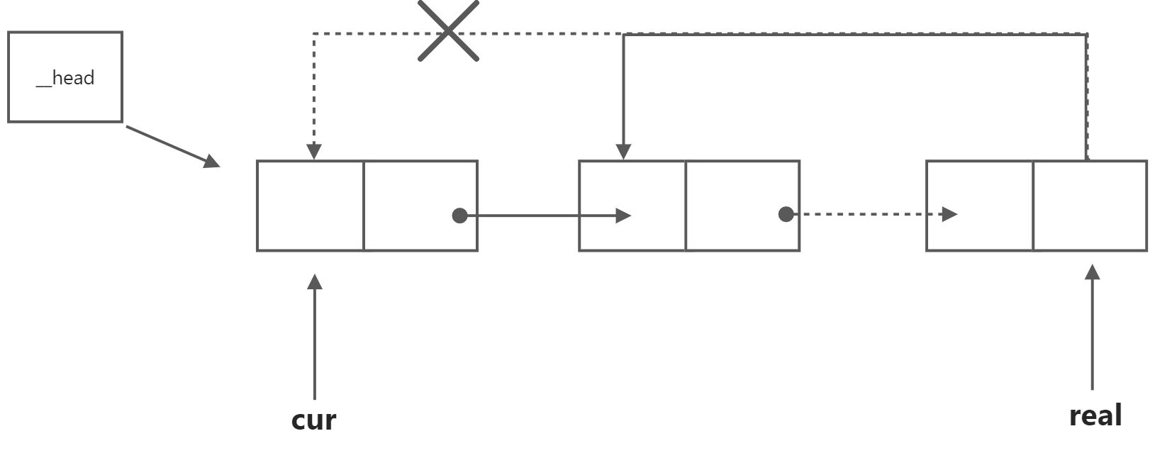
8.删除节点
基本思路与单链表类似
- 创建两个指针,pre指向None,cur向头节点
- pre指向的cur,cur往后移,指向下一个节点cur.next
- 将节点的前一个节点的next指向节点的next域(后一个节点)
当删除的节点cur.next不等于头节点
如果,删除的值等于传入的值:
- 删除的是头节点cur==self.__head
- 需要再定义一个指针real
- 把尾结点指向的删除的节点,重新向下一个节点
- 删除的是头节点cur==self.__head


- 删除中间节点
把节点的前一个节点的next指向节点的next域(后一个节点)
- 删除最后退出
- 否则,向下寻找
当从头找到尾没找到,那么此时的情况就是:(cur.next==self.__head)
当前的值cur.elem是要删除的节点,做法与删除中间的类似
def remove(self ,item):cur=self.__headpre=Nodewhile cur.next != self.__head:if cur.elem == item:if cur==self.__head:real=self.__headwhile real.next != self.__head:real=real.nextself.__head=cur.nextreal.next=self.__headelse:pre.next=cur.nextbreakelse:pre=curcur=cur.nextif cur.elem ==item:pre.next=cur.next
特殊情况
为空:
#为空的情况
if self.is_empty():
return
当链表只有一个元素的时候,尾部插入的情况,没有pre.next
if cur.elem == item:
if cur == self.__head:
self.__head = None
else:
pre.next = cur.next
def remove(self, item):
if self.is_empty():
return
cur = self.__head
pre = None
while cur.next != self.__head:
if cur.elem == item:
if cur == self.__head:
rear = self.__head
while rear.next != self.__head:
rear = rear.next
self.__head = cur.next
rear.next = self.__head
else:
pre.next = cur.next
return
else:
pre = cur
cur = cur.next
if cur.elem == item:
if cur == self.__head:
self.__head = None
else:
pre.next = cur.next
